English 中文 旧网站

我系在渭北台塬断裂活动带黄土-泥岩滑坡形成机制研究方面取得新进展

文章来源: 发布时间:2024-07-01 15:48 作者: 浏览量:6621

中国约有三分之一的滑坡灾害发生在黄土高原地区黄土-泥岩滑坡作为黄土高原分布最为广泛、发生最为频繁的滑坡灾害类型之一,它通常是在一定的地形地貌、地层岩性、斜坡结构和气象水文等条件下孕育而成,发育和空间分布形态明显的受断裂活动背景的影响。研究结果表明,黄土高原的滑坡灾害表现出明显的周期性和群发性,在空间位置上沿主要断裂带成群、成带分布图1,尤其在渭河中上游的宝鸡市等地区密集发育其中大部分大型滑坡均为黄土-泥岩滑坡,活动断裂一定程度上控制着区内黄土-泥岩滑坡的发育

 图1-1.jpg

1 黄土高原南缘断裂带滑坡分布图

中国黄土高原的活动断裂十分发育,尤其是黄土高原南缘地处构造块体交界部位,是中纬度纬向构造带挤压最为强烈的地段2目前,越来越多的学者们通过野外调研、室内宏微观试验、数值模拟和物理模型试验等多种手段,对黄土-泥岩滑坡分类、滑带土强度特性、滑坡特征以及滑坡稳定性等方面进行了大量的研究。但是,对于复杂活动断裂与该类滑坡演化的关联性研究仍不充分,关于具有明显时间效应的黄土-泥岩滑坡滑带土蠕变特性的研究仍不丰富,更缺乏以此为基础的断裂活动背景下此类滑坡形成机理的阐述

图片2-1.jpg 

2 渭北台塬断裂活动带典型黄土-泥岩滑坡分布图

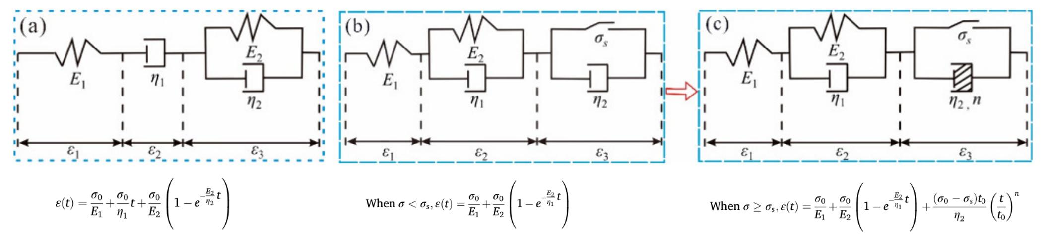
针对上述问题我系地质工程薛晨博士3结合典型黄土-泥岩滑坡实例,设计开展了一系列三轴蠕变实验4总结了不同含水率、围压、干密度、接触面角度和黄土层厚度等条件下滑带土蠕变特性变化规律5利用三维激光扫描系统提取了样品的蠕变变形特征根据实验结果,提出了一种改进的西原模型,建立了黄土-泥岩滑坡滑带土蠕变本构方程6,通过引入新的非线性参数来描述加入泥岩后出现的加速蠕变阶段7。最后,分析了典型黄土-泥岩滑坡的主要致灾因素8和图9,并对其断裂活动背景下的形成机理进行揭示10

图3.png 

3 黄土-泥岩滑坡野外调研

 

图片4.jpg 图5.jpg

4 三轴蠕变试验样品形貌                                                     5 滑带土蠕变特性变化规律

图片6.jpg

6 黄土-泥岩滑坡滑带土蠕变本构方程

图片7.jpg

7 新本构方程加速蠕变阶段理论曲线

 图片8.jpg

8 渭北台塬断裂活动带三维形貌(研究区局部)

图片9-1.jpg

9 渭河流域演变与滑坡坡体结构图

图片10.jpg

10  断裂活动背景下黄土-泥岩滑坡形成机理

 

得出以下结论:

(1)水对黄土-泥岩滑坡滑带土强度有明显的弱化作用。随含水率增加,二元结构试样强度的衰减较均质试样更为明显。随着含水率的增加,黄土的应力-应变关系由软化转变为硬化,弹塑性变形明显增大。但,泥岩的应力-应变关系由硬化型向软化型转变,黏塑性变形显著增加。

(2)当其他条件不变时,黄土-泥岩滑坡滑带土的长期强度随围压的增加呈线性增长,随干密度的增加呈指数增长。黄土-泥岩滑坡滑带土试样的长期强度随含水率的增长呈线性降低,结构面倾角试样的长期强度损失率( δq)明显高于其他试样。二元结构面倾角对边坡稳定性的影响在一定程度上改变了黄土-泥岩滑坡滑带土强度的劣化强度

(3)由于泥岩的存在,试样表现出明显的蠕变加速阶段。因此,在蠕变试验的基础上,提出了更适合描述黄土-泥岩滑坡滑带土蠕变加速阶段的修正西原模型。新的本构模型能够准确描述蠕变全过程曲线,尤其对加速蠕变阶段的识别更为敏感。

(4)基于现场调查和蠕变试验结果,分析了宝鸡渭北台塬断层活动背景下黄土-泥岩滑坡的主要致灾因素,揭示了其形成机理黄土-泥岩滑坡的演化过程可分为4个阶段:孕灾环境形成阶段结构面扩展阶段变形加速阶段破坏阶段


相关成果发表在国际期刊GEOMORPHOLOGY上。yl6776永利集团6776永利集团和大陆动力学国家重点实验室为第一单位和通讯单位,我系地质工程薛晨博士为论文第一作者。该项研究工作得到国家重点研发计划项目(No.2023YFC3008401陕西省自然科学基础研究计划重点项目(2024JC-ZDXM-19)资助。

 

文章信息:Chen Xue , Xingang Wang*, Baoqin Lian , Daozheng Wang , Kai Liu , Li Luo , Jinshui Yang, 2024. Formation mechanism of loess-mudstone landslides in the Weibei Tableland Fault Active Zone of Baoji, China - Taking Wolongsi landslide as an example. GEOMORPHOLOGY, 460:109284, https://doi.org/10.1016/j.geomorph.2024.109284.

Copyright©中国·yl6776永利集团(有限公司)官方网站-Official Website 版权所有
Baidu
sogou